-
-
-
Tổng tiền thanh toán:
-
MTS nâng cấp điều tốc thủy lực: Từ động cơ bước điện sang cơ cấu servo thủy lực tuyến tính
23/07/2025
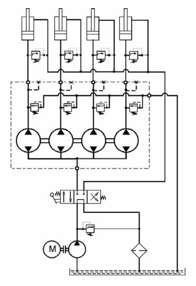
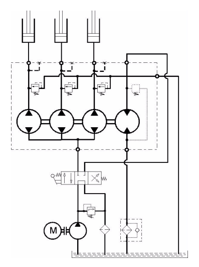
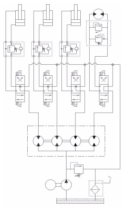
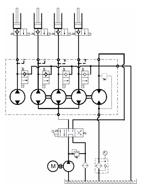
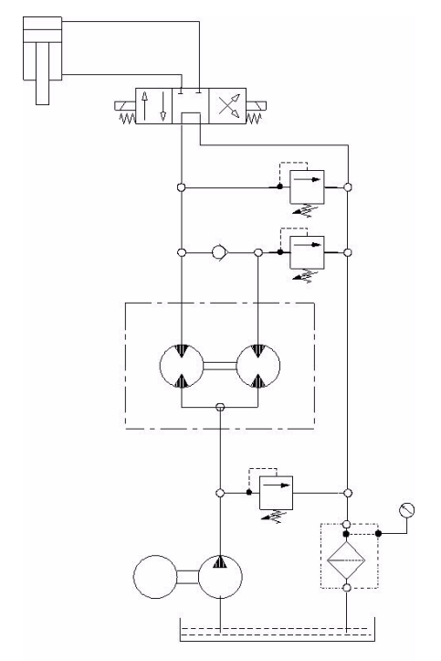
Bộ chia lưu lượng bánh răng
Bộ chia lưu lượng được sử dụng để chia lưu lượng từ bơm thủy lực thành hai hoặc nhiều phần đầu ra. Tùy thuộc vào ứng dụng, bộ chia lưu lượng có thể phân phối lưu lượng thành các phần không bằng nhau hoặc bằng nhau, nhưng thường được sử dụng để cung cấp cùng một lưu lượng đầu ra cho nhiều thành phần thủy lực như xi lanh để đảm bảo rằng chúng di chuyển cùng một lượng.
Bộ chia lưu lượng đồng bộ hóa chuyển động của các thành phần thủy lực phía sau nó.
Bộ chia lưu lượng bánh răng hoạt động như thế nào?
Bộ chia lưu lượng bánh răng được tạo thành từ hai hoặc nhiều động cơ thủy lực được kết nối bằng một trục. Trục duy trì tốc độ của các động cơ và đảm bảo rằng chúng bằng nhau để lưu lượng được phân phối giống nhau.
Lợi ích của việc sử dụng Bộ chia lưu lượng bánh răng
Bộ chia lưu lượng bánh răng là một cách tiết kiệm chi phí để chia lưu lượng mà không làm mất nhiều năng lượng hoặc nhiệt. Hơn nữa, bộ chia lưu lượng bánh răng có khả năng chịu được ô nhiễm hơn các bộ chia khác, như bộ chia lưu lượng ống cuộn. Chúng là cách dễ dàng và tiết kiệm chi phí nhất để chia và cung cấp lưu lượng cho nhiều thành phần thủy lực cùng một lúc.
Ứng dụng phổ biến của Bộ chia lưu lượng bánh răng
Hai chức năng phổ biến của bộ chia lưu lượng bánh răng bao gồm đồng bộ hóa động cơ chất lỏng và xi lanh thủy lực, và tăng cường áp suất trong bơm thủy lực.







Trong trường hợp nhiều xi lanh cần di chuyển một thứ gì đó đồng bộ, bộ chia lưu lượng bánh răng thường là giải pháp tuyệt vời. Điều này hữu ích, ví dụ, trong các bệ nâng, nơi bệ phải được nâng lên đều và chính xác bằng nhiều xi lanh. Bệ phải giữ thăng bằng để tránh bị kẹt trong cơ cấu dẫn hướng cũng như đối với các vật thể trên đỉnh bệ.
Bộ chia lưu lượng có thể được sử dụng như một bộ nhân áp suất hoặc bộ tăng cường. Loại mạch thủy lực này có thể được sử dụng khi mạch áp suất thấp đã được sử dụng và chỉ cần lưu lượng áp suất cao nhỏ. Vì bộ chia lưu lượng động cơ bánh răng cung cấp tổn thất áp suất bên trong tối thiểu với chi phí thấp, nên đây là giải pháp tối ưu.
Bộ chia lưu lượng bánh răng cũng có thể được sử dụng như một bộ tăng cường áp suất thủy lực cho các mạch ép và kẹp. Trong ứng dụng này, bộ chia lưu lượng bánh răng tăng cường áp suất bằng cách kết hợp chất lỏng lưu lượng cao từ các phần của bộ chia. Từ đó, các đầu ra được thải ra bể chứa, làm tăng áp suất trong mạch.
Bộ chia lưu lượng của chúng tôi có sẵn có hoặc không có van an toàn để bảo vệ hệ thống thủy lực khỏi áp suất quá cao.
Cách chọn loại bộ chia lưu lượng bánh răng
Lưu lượng, áp suất và độ chính xác cần thiết đều là các thông số cần xem xét khi chọn một mẫu.
Bộ chia lưu lượng bánh răng thủy lực có vỏ nhôm có lưu lượng từ 1,5 Lpm đến 60 Lpm với áp suất làm việc lên đến 250 bar. Mẫu này cũng có vỏ gang, có thể đạt lưu lượng từ 11,3 Lpm đến 220 Lpm cho mỗi phần với áp suất làm việc là 269 bar.
Lựa chọn thứ ba của chúng tôi, Bộ chia lưu lượng bánh răng thủy lực có lưu lượng từ 11,4 Lpm đến 140 Lpm cho mỗi phần và áp suất làm việc lên đến 317 bar. Ngoài các bộ chia lưu lượng bánh răng, còn có các bộ chia lưu lượng kiểu piston hướng tâm và van cũng như các bộ chia lưu lượng thể tích. Chúng được lựa chọn dựa trên cùng các thông số về lưu lượng, áp suất và độ chính xác.
Về độ chính xác, các bộ chia lưu lượng của chúng tôi có mức độ đồng bộ hóa cao ngay cả với các bộ chia lưu lượng động cơ bánh răng đơn giản hơn. Mức độ đồng bộ hóa cao này cũng được duy trì trên nhiều lưu lượng và được duy trì với các điều kiện tải khác nhau do tỷ lệ rò rỉ thấp ở từng phần.
Mô hình với vỏ nhôm chạy hơn 1200 vòng/phút và có dung sai đồng bộ hóa ở mức ± 1,5 đến ± 2,0%. Mô hình với vỏ gang có dung sai đồng bộ hóa ở mức ± 3 đến ± 4%.
Đối với bộ chia lưu lượng bánh răng-động cơ, sự khác biệt về đồng bộ hóa phụ thuộc vào một loạt các thông số. Ví dụ, độ nhớt và nhiệt độ của dầu; độ biến thiên tải áp suất; mức áp suất hệ thống; và tổng lưu lượng cần chia đều ảnh hưởng đến mức đồng bộ hóa. Chỉ có thể chỉ ra chính xác mức đồng bộ hóa nếu biết chi tiết của tất cả các thông số đã đề cập.
Ngoài bộ chia lưu lượng bánh răng, còn có bộ chia lưu lượng kiểu piston hướng kính và van cũng như bộ chia lưu lượng thể tích. Chúng được lựa chọn dựa trên cùng các thông số về lưu lượng, áp suất và độ chính xác.
Số lượng:
Tổng tiền: