-
-
-
Tổng tiền thanh toán:
-
MTS nâng cấp điều tốc thủy lực: Từ động cơ bước điện sang cơ cấu servo thủy lực tuyến tính
23/07/2025
Nhiễu tín hiệu analog 4-20mA là gì ? Tại sao dùng phải dùng bộ chuyển đổi analog 4-20mA ra 4-20mA ? Tại sao tín hiệu analog 4-20mA không ổn định ? …. Đó là các câu hỏi của các nhà máy khi bị nhiễu tín hiệu 4-20mA bởi tác động bên ngoài lên đường dây . Cách khắc phục nhiễu tín hiệu analog 4-20mA trên đường dây là một vấn đề mà nhiều kỹ thuật trong các nhà máy quan tâm . Chính vì thế tôi sẽ giúp mọi người khi gặp nhiễu tín hiệu analog 4-20mA trên đường dây .
Tín hiệu analog 4-20mA bị nhiễu
Tín hiệu analog 4-20mA sau khi phân tích phổ thì phát hiện răng cưa trên tín hiệu ngõ ra trước khi đi vào PLC hoặc DCS . Đây là hiện tượng nhiễu tín hiệu analog 4-20mA do tác động bên ngoài bởi EMC .
Tín hiệu 4-20mA hay các loại tín hiệu analog khác khi đo tại vị trí ngõ ra của cảm biến thì rất mịn chính xác với 4-20mA rất đẹp tuy nhiên khi truyền về DCS hay PLC một khoảng cách nào đó tín hiệu bị biến dạng theo hình răng cưa trên biểu đồ của tín hiệu . Giá trị tại DCS hay PLC có thể giao động với +/- 0.5mA tuỳ theo mức độ nhiễu .

Mô phỏng tín hiệu 4-20mA bĩ nhiễu trên đường dây
Tất cả các tín hiệu truyền về theo chuẩn công nghiệp ngày nay phần lớn đều dùng tín hiệu 4-20mA . Còn tại sao dùng tín hiệu 4-20mA thì mọi người tham khảo tại một bài viết khác. Trong bài viết này tôi chỉ nói về các hiện tượng nhiễu khi truyền tín hiệu analog 4-20mA về từ các cảm biến .

Phóng to nhiễu tín hiệu 4-20mA
Sau khi phân tích chúng ta thấy các tín hiệu đầu cuối khi nhận được có thể bị tăng thêm hoặc giảm xuống so với tín hiệu gốc ban đầu do tác động từ bên ngoài . Như hình minh hoạ trên chúng ta thấy tín hiệu bị nhiễu bởi Noise tín hiệu .
Chúng ta thường thấy các thiết bị điện sản xuất từ Châu Âu hoặc các nước khác có chữ CE có nghĩa là thiết bị đó đạt tiêu chuẩn EMC đủ để xuất vào Châu Âu .
EMC có lẽ là một khá niệm khá mới và cũng khá lạ với nhiều người do ít được nhắc đến & cũng không có nhiều nhà lắp đặt tích hợp các thiết bị điện vào hệ thống của mình để đạt chuẩn EMC .
EMC là một thuận ngữ nói lên sự miễn nhiễm điện từ hay còn gọi là tương thích điện từ của các thiết bị điện được áp dụng cho các nước thành viên EU . Khi các sản phẩm đạt tiêu chuẩn EMC điều này có nghĩa là :
Điều này có nghĩa là thiết bị, hệ thống thiết bị vô tuyến điện, điên, điện … tử hoạt động bình thường trong môi trường điện từ và không gây nhiễu đến thiết bị, hệ thống thiết bị khác .
1. Radar (nhiễu : Conducted RF)
2. Đài phát thanh / truyền hình / điện thoại di động ( nhiễu tiếng ồn: dẫn RF)
3. Động cơ / Điều khiển động cơ / Bộ chuyển đổi tần số ( nhiễu tiếng ồn: dẫn RF)
4. Công tắc điện / Rơ le tiếng ồn (nhiễu tiếng ồn: Burst)
5. Sét đánh trên dây kết nối (nhiễu tiếng ồn: Surge – sét )
6. Tín hiệu không ổn định từ các nhà máy điện / trạm biến áp (nhiễu tiếng ồn: điện áp giảm)
7. Xả điện tử từ ví dụ chạm (nhiễu tiếng ồn: ESD)
8. Đường dây cao áp ( nhiễu : từ trường)
Nhiễu tín hiệu đượ dể dàng nhận thấy trong các hoạt động bình thường hàng ngày như nghe Radio mà có sét chúng ta sẽ thấy âm thanh bị méo mó hoặc các Tv xem bằng Ăngten khi có sét hoặc khi bật các thiết bị điện khi ở gần TV sẽ bị sọc màn hình tín hiệu không ổn định .

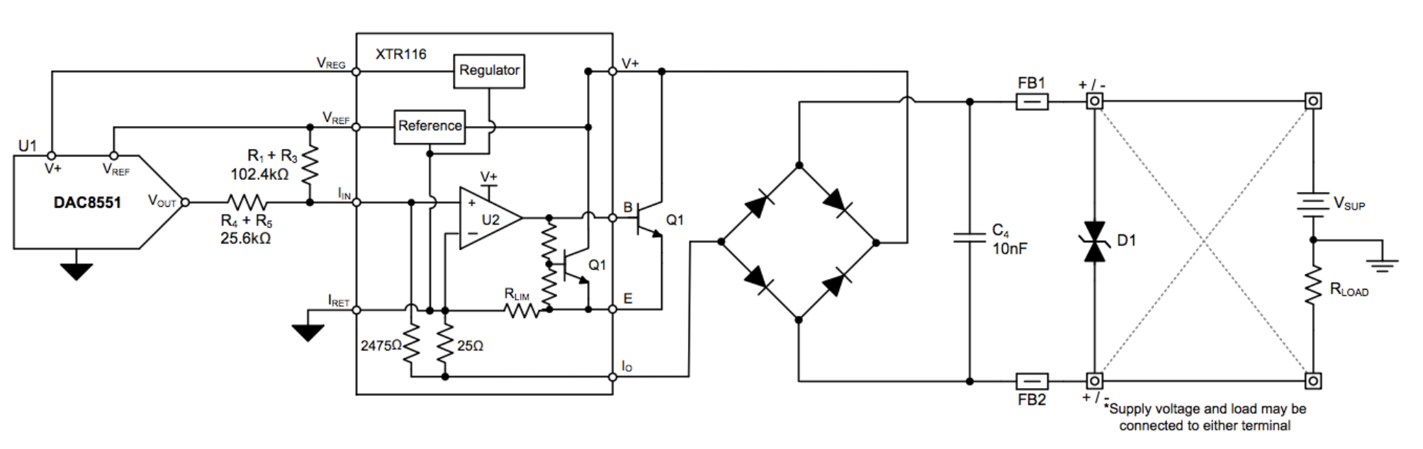
Để khắc phục điều này tất nhiên chúng ta sẽ phải làm một mạch lọc nhiễu tín hiệu 4-20mA . Tất nhiên việc này đã được các hãng lớn chuyên về tín hiệu nghiên cứu . Chúng ta xem mạch chống nhiễu tín hiệu 4-20mA sau :

Sơ đồ mạch chống nhiễu tín hiệu analog 4-20mA 2 dây


Sơ đồ mạch chống nhiễu tín hiệu 4-20mA Layout
Sau hoàn thành lắp ráp linh kiện chúng ta được mạch chống nhiễu 4-20mA khá đơn giản bên dưới

Đối với dân điện tử thì làm mạch là một việc khá đơn giản và tiết kiệm được chi phí rất lớn khi gặp trình trạng bị nhiễu tín hiệu analog 4-20mA . Tuy nhiên việc tự làm mạch cũng có một số hạn chế như tốn khá nhiều thời gian và phụ thuộc khá nhiều vào chất lượng của linh kiện điện tử .
Chính vì điều này mà xuất hiện các công ty chuyên về xử lý tín hiệu & tự mình sản xuất ra các linh kiện điện tử để đảm bảo chất lượng . Khả năng khử nhiễu tín hiệu 4-20mA phụ thuộc rất nhiều vào nghiên cứu và chất lượng sản phẩm của một nhà sản xuất .
Trong công nghiệp chúng ta thường không làm mạch mà tìm đến các giải pháp khác là mua bộ lọc nhiễu tín hiệu analog 4-20mA để giải quyết vấn đề nhiễu tín hiệu . Việc này đòi hỏi phải có kinh nghiệm cũng như kiến thức về tín hiệu analog 4-20mA , nếu như chúng ta không rành về lĩnh vực này nên tìm đến các nhà cung cấp uy tín được huấn luyện chuyên môn hoặc nhà phân phối uỷ quyền về các bộ lọc nhiễu tín hiệu .
Tôi hy vọng với bài chia sẻ này sẽ giúp mọi người hiểu hơn về EMC cũng như tác hại của EMC trong công nghiệp . Nếu chưa rõ về nhieu tin hieu analog 4-20mA mọi người có thể Comment bên dưới để mọi người cùng thảo luận . Tất nhiên bài viết sẽ có nhiều sai sót mong mọi người góp ý để hoàn thiện thêm .
Chúc mọi người thành công !
Chịu trách nhiệm nội dung
Kỹ Sư Cơ – Điện Tử
Nguyễn Minh Hòa
http://huphaco.vn/nhieu-tin-hieu-analog-4-20ma/
Số lượng:
Tổng tiền: